quick menu
We have created a awesome theme Far far away,behind the word mountains, far from the countries
»ç¿ëÀ¯Ã¼
AIR (¾ÐÃà°ø±â¿¡¸¸ »ç¿ë)
»ç¿ë¾Ð·Â
0 ~ 150 PSI
0~9.9Kg F/cm (0~990K Pa)
ºÎ ¾Ð
-29.5 in Hg
-750mm Hg (10Torr)
»ç¿ë¿Âµµ¹üÀ§
32 ~140¢µ
0 ~60¡É
PRESSURE RESISTANCE
10.5Kg f/§²(1050Kpa)
MAX.WORKING PRESSURE
7Kg f/§²(700Kpa)
MIN. WORKING PRESSURE
1Kg f/§²(100Kpa)
ADJUSTED TEMP & FLUID TEMP
5~60¡É
PUL
08
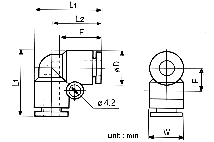
¸ðµ¨Å¸ÀÔ
È£½º±Ô°Ý(¥õD)
MODEL(¥õD-T)
Tube(Metric)-R Thread(PT)
Tube(Inch)
PUL 04
PUL 5/32
PUL 06
PUL 1/4
PUL 08
PUL 5/16
PUL 10
PUL 3/8
PUL 12
PUL 1/2
PUL 16
PUL 3/16